中国氮肥工业协会党支部书记顾宗勤开展“深入纠正四风,坚持四个服务”主题教育党课
2025年6月9日,中国氮肥工业协会党支部书记顾宗勤同志开展了支部书记讲主题党课活动,党会议由中国氮肥工业协会秘书长王立庆主持,中国氮肥工业协会党支部全体成员参加会议。顾宗勤同志以“深入纠正‘四风’,
2025-12-08
2025年6月9日,中国氮肥工业协会党支部书记顾宗勤同志开展了支部书记讲主题党课活动,党会议由中国氮肥工业协会秘书长王立庆主持,中国氮肥工业协会党支部全体成员参加会议。顾宗勤同志以“深入纠正‘四风’,
2025-12-08
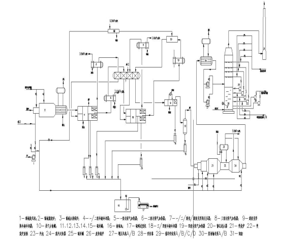
摘 要:近年来新型煤气化技术应用广泛,但其工艺系统运行过程中会产生大量的 气化灰水,这些气化灰水温度高,而且含大量 Ca 2+、Mg 2+等离子,易造成系统管道与设 备内部结垢和堵塞。利用多介质过滤、纳米过滤、膜分离再生等技术对气化灰水进行处 理研究,并对航天煤气化高温吸附法灰水处理新工艺与航天炉煤气化工艺系统中现有灰 水处理工艺进行对比分析,探讨多介质过滤、纳米填料吸附和特种膜耦合技术运行效果、 运行成本及应用前景。结果表明,多介质过滤、纳米填料吸附和特种膜耦合技术在浊度 平均去除率达到 80±5%以上,悬浮物平均去除率达到 50±5%的情况下,硬度去除率也能 达到 90±5%,处理后的灰水完全符合航天炉煤气化灰水系统回用的标准。 关键词:航天炉煤气化工艺;气化灰水处理;物理处理技术;纳米填料吸附和特种膜耦合技术
2025-12-24